Liberty Data
あらゆるデータの資産化とデータ駆動型経営の実現に向けたサービスを提供するLiberty Dataは、図面に関連する業務に特化したAI・データ活用プラットフォーム「DSP for MechaInformatics」を提供しております。
このたび、本サービスの機能の中でもニーズが高い「TIFF・PDF形式の図面をCAD図面に変換する機能」 の個別提供を開始し、より多くのお客様にご利用いただきやすくなりました。
申込フォーム
サービスサイト「DSP for MechaInformatics」:
https://www.liberty-nation.com/dspmechainformatics/
■ 想定活用シーン
開発・設計部門における、「社外」図面の編集、組み立て図面への転用
- PDFの社外図面をDXFに自動変換することで、図面編集や、組み立て図面作成を効率化します。
加工業者における、NC工作機械用のプログラム作成
- 取引先からPDF図面しか入手できない場合でも、PDFをCAD図面に自動変換することで、NC工作機用のデータ作成を効率化します。
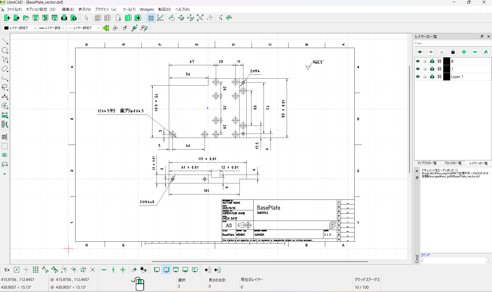
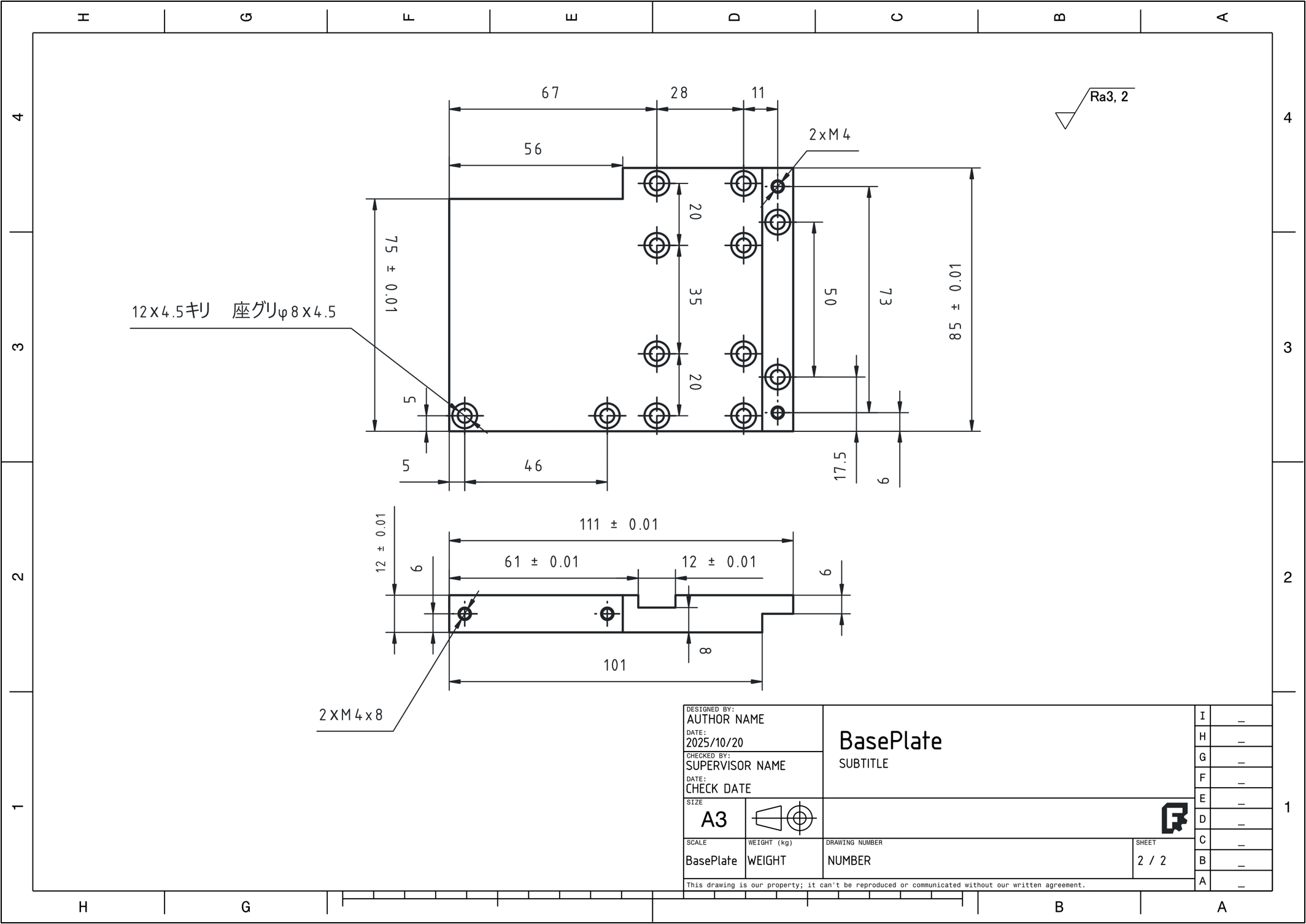
■ デモ
◆ 対象図面(PDFファイル)
◆ 変換結果(DXFファイル)

変換後のDXFファイルはこちらからダウンロードし、ご確認いただけます。
ダウンロード
◆ 操作手順
1.変換したい図面をアップロードする図面をアップロード

2.アップロードしたファイルを変換

3.変換結果を確認

4.選択したファイルをダウンロード
■ 申込方法
下記のお問合せフォームより「TIFF・PDF図面⇒CAD図面(DXF)変換機能_申込」を選択し必要事項を記入の上送信してください。
申込フォーム
弊社担当者より、いただいたメールアドレス宛に、使用開始の手順などご連絡をさせていただきます。
■「DSP for MechaInformatics」のサービス全体像

本サービスは、開発・設計業務のメカインフォマティクス化を支援するデータ活用プラットフォームです。図面検索や製図をはじめとした
開発・設計業務全体を自動化し大幅な業務改善を実現することが可能です。
現在、赤枠の機能を提供しています。今後順次機能拡大予定です。
■ 代表:佐藤 コメント
Liberty Dataを運営する 株式会社Curiositas 代表取締役 佐藤 辰勇 コメント:
図面データは製造・建設業における最も重要な設計資産の一つですが、その多くが運用上はPDFの方が扱いやすい外注図面が多いなどの影響でTIFF・PDF形式のまま眠っているのが現状です。今回の機能提供により、現場の方々が手軽にデータ変換を行える環境を整えることで、設計資産の再活用を促進し、生産性向上とデジタル化の推進を後押ししたいと考えています。
今後も、お客様の現場課題に寄り添いながら、データ駆動型のものづくりを支える基盤づくりを進めてまいります。
佐藤 辰勇 プロフィール:
外資系大手コンサルティングファームにてテクノロジー戦略・新規事業戦略に従事。
その後、数百名規模のAIスタートアップのCOOを経て本企業を創業。
当該事業の他にも第一産業分野におけるテクノロジーを活かした新商品開発事業を手掛ける。
■ 事業/会社概要
◇ Liberty Dataのサービス

Liberty Data(運営会社:株式会社Curiositas)は、あらゆるデータの資産化と最先端のデータ駆動型経営の実現に向けた各種サービスを展開しており、データを強みとした事業改革や新規事業の創出において業界を問わず150案件以上の支援実績を保有しております。
<主なサービス>
- 生成AIなど先端技術を取り入れた自社開発のデータ活用プラットフォーム「Liberty DSP」を提供、汎用的なタイプに加え領域特化タイプも提供(図面・SCM・新材料開発など順次領域拡大中)
- 大量の社内データを利活用しやすい状態に可視化・構造化・標準化することで、データの資産化を支援するサービス「データDXラボ」の提供
- データ運用の専門家による、多種ツール群からなる最適なデータ活用シナリオ・データ基盤構成の設計
◇ 会社概要
・事業名 :Liberty Data(会社名:株式会社Curiositas)
・所在地 : 東京都港区新橋5-17-1
・代表者 : 佐藤 辰勇
・事業内容 :データ駆動型経営に向けたコンサルティング・サービス提供、
・企業サイト:
https://www.liberty-nation.com/
企業プレスリリース詳細へPR TIMESトップへ